Mouse/Voice Cloud Mouse

2021-02-22 Digital Intelligence 4144 5 24

周红超

China · Digital Intelligence

Mouse/Voice Cloud Mouse

2021-02-22 Digital Intelligence 4144 5 24

周红超

China · Digital Intelligence

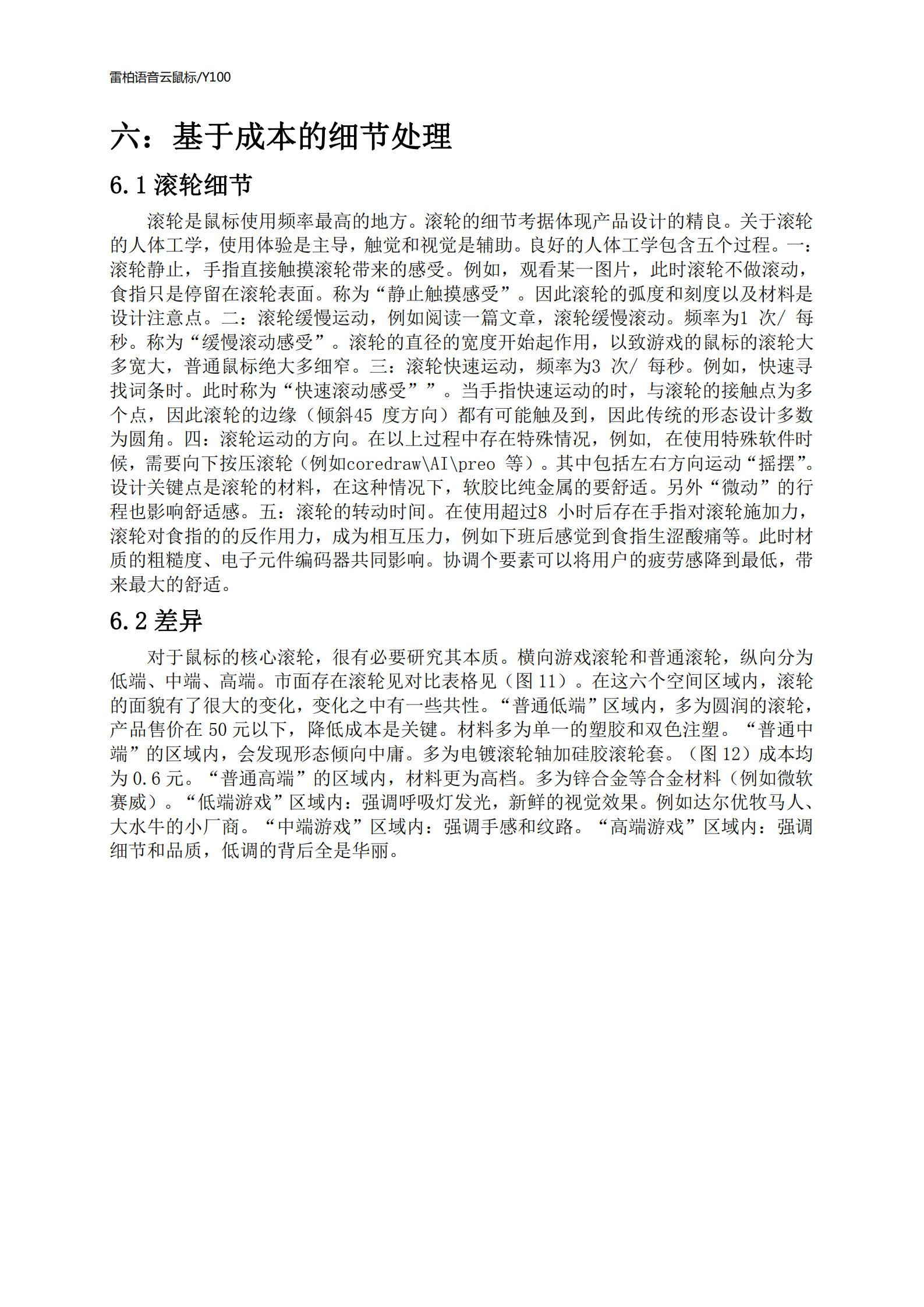
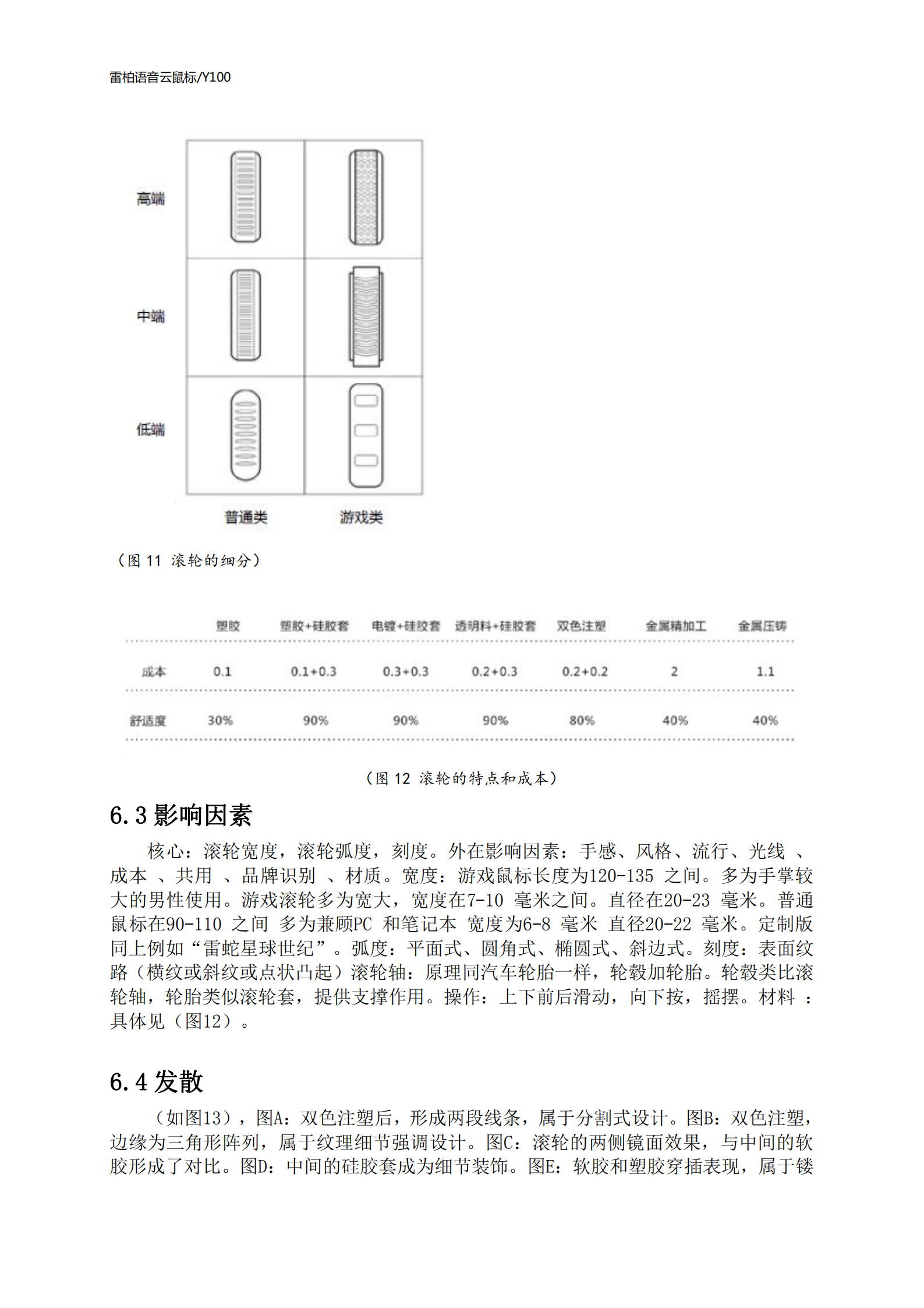
At the beginning of 2015, a hardware input device (voice mouse), the first cooperation between hardware and the Internet, created the concept of networking, the cloud storage of mouse voice function to test heart rate, the low price of Internet marketing price 39 yuan, realized hardware sales profit and new generation user data collection. In this project, I am the main creative industrial designer and project manager. Participate in the initiation of the project to the trial production, record the product development process during the design, and think and summarize in the evening. For example, "Horizontal and Vertical Design Methods", "Application of Addition and Subtraction of Design", etc. In addition, some design theories and design techniques have been sublimated in the course of long-standing practice, and displayed graphically. Work while studying, from practice to theory, and then theory guides practice. The difficulty of design is that in the competition of such products, the final selling price is 39 yuan and the ex-factory price is 30 yuan. Subtract the cost of de-electronics and the intermediate cost of agent and sales to leave the appearance and structural parts at the cost of 5 yuan. To achieve the most affordable external, to maximize the added value of the design. The test of design techniques, popular trends, structural molds, injection molding assembly and production capacity is great. In this restricted space, the following design points are emphasized: new categories and new creatures. Voice control and cloud storage functions are the first concepts in the world. New functions open new categories. Product identification requires the first look at this object to transmit functions while the appearance and image are completely different from traditional mice. Then it is the big difference and the small difference. Big difference refers to the morphological and semantic transmission of different, outline, style, and division. Small difference refers to the source of the concept of details, the special treatment of sub-parts, mold fractal have thought. The reshaping of image and language leads to changes in body blocks and lines, but it will lose the hand feeling (ergonomics). How to balance the two requires a lot of exploration and experiment. Based on the full plastic design, product operation and sales model constraint cost, can only use plastic materials, pure plastic design to create a low feeling. How to make up for the low price of materials through the grain of surface treatment details and the design of silk screen icons, and at the same time improve the beauty of the body through modeling design, color blocks and lines. The above design purpose will be described in the introduction below. The mouse has elegant lines and comfortable grip, which is a perfect combination of aesthetics and ergonomics. The front open mouth indicates the voice narration function, and every angle of the mouse can bring fresh visual experience. New categories and new creatures: By learning the origin of species and studying the body language of fish, the mouse shape shapes new creatures, similar to the soft and elegant rhythm of the fish family, and is defined from DNA with the traditional mouse, leading a new category. So that contours, segmentation, fractal lines, and surfaces all learn the laws of biological nature without mathematical geometric constraints. The side buttons are refined into "eye" graphics, and the three-dimensional space is bulged and strengthened, representing discovery and observation, and strong symbols indicate the voice function. Image and language reshaping: creating a fresh, flexible new image is completely different from the traditional mouse's heavy business style. Based on the full plastic design: based on the plastic substrate, only a small part of the color is emphasized, only the bottom color is curved, and the side skirt texture scatter grain caters to the current design trend, the component side line out of the mold brings unique graphic recognition, the formation of the gap in the depth design appears fine lines.

industrial design,
industrial design,
industrial design,
industrial design,
industrial design,
industrial design,
industrial design,
industrial design,
industrial design,
industrial design,
industrial design,
industrial design,
industrial design,
industrial design,
industrial design,
industrial design,
industrial design,
industrial design,
industrial design,
industrial design,
industrial design,

This product was made by the author during his tenure at Lei Bai Company. The ownership belongs to Lei Bai Technology Company. The author only analyzes the reason behind the design.

industrial design,
24 45
Users’ other works View More
Comment

Comment Board (5)

几近崩溃白玉汤 2021-03-08
Reply

艾因霍思 2021-03-05
Reply

Wow, this wave of operation is as fierce as a tiger.

四号花店 2021-03-05
Reply

Collection

ZERO TENG 2021-03-05
Reply

Chewy

蛮五 2021-03-05
Reply

After reading it, I still feel unfinished.

Appreciations Comment Favorites Back to top
Favorites
Create favorites

Create favorites

Favorite's name
Confirm
Online service
Back to top
Send verification code

Create

Read and agree to the User Agreement Terms of Use.

Send verification code

Back Change